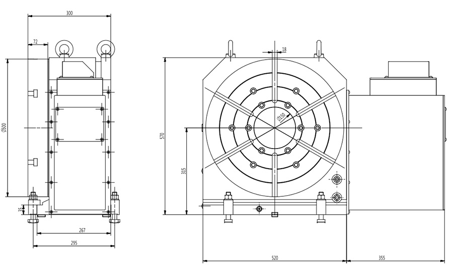
RTV-500A.1A数控回转工作台

 

主要参数(Main Specifications)

工作台心尺寸

mm

Φ500

最大负载下允许转速

rpm

 

工作台厚度

mm

72

最小分度单位

deg

0.001

转台总高(厚)

mm

300

分度精度

sec

15

T形槽规格

mm

18

重复精度

sec

4

中心定位孔尺寸

 

mm

 

Φ150H7

 

最大承载

 

轴向

kg

 

600

镜向

350

安装方式

 

水平垂直

刹紧方式

 

油压

蜗轮蜗杆副传动比

 

 

刹紧力矩

KNm/Mpa

4

总传动比

 

1:450

最大刹紧压力

Mpa

 

最高转速

rpm

5

伺服电机扭矩

Nm

 

联系方式
电话:13723987166(刘经理)
网址:www.hkhmechanical.com
地址:烟台市福山区智能装备产业园
扫码联系我
COPYRIGHT © 2025 烟台市华凯自动化设备有限公司 版权所有 鲁ICP备2025191735号-1