
主要参数(Main Specifications)
|
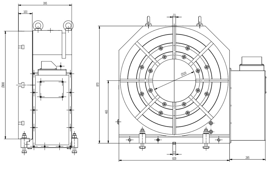
工作台心尺寸
|
mm
|
Φ800
|
最大负载下允许转速
|
rpm
|
|
|
工作台厚度
|
mm
|
103
|
最小分度单位
|
deg
|
0.001
|
|
转台总高(厚)
|
mm
|
395
|
分度精度
|
sec
|
15
|
|
T形槽规格
|
mm
|
22
|
重复精度
|
sec
|
4
|
|
中心定位孔尺寸
|
mm
|
Φ320
|
最大承载
|
轴向
|
kg
|
4000
|
|
镜向
|
2500
|
|
安装方式
|
|
水平垂直
|
刹紧方式
|
|
油压
|
|
蜗轮蜗杆副传动比
|
|
|
刹紧力矩
|
KNm/Mpa
|
8
|
|
总传动比
|
|
1:900
|
最大刹紧压力
|
Mpa
|
|
|
最高转速
|
rpm
|
2.2
|
伺服电机扭矩
|
Nm
|
|